Розрахунково-графічна робота №4
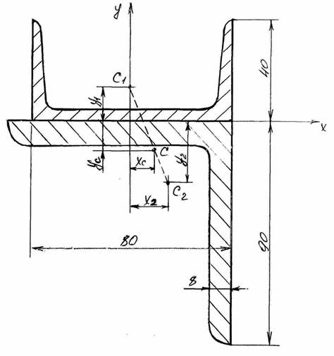
Для заданого поперечного перерізу визначити координати
його центра ваги.
|
Дано: Швелер № 8 Кутник № 9 |
|
|
ХС - ? УС - ? |
|
Розв’язок
1. Із довідникових таблиць
вибираємо всі необхідні розміри і будуємо переріз у масштабі.
Для
швелера № 8: h=80 мм,
b=40
мм, А1=8,98 см2, z=1,34
см.
Для
кутника № 9 (90×90×9): b=90 мм, d=9
мм, А2=13,9 см2, z=2,51
см.

2. Вибираємо осі координат,
відносно яких будуть визначатися координати центра ваги перерізу.
3. Визначаємо координати центрів
ваги окремих елементів перерізу і зображаємо їх на кресленні.
х1=0, у1=13,1 мм, х2=14,9мм, у2=-
4. Визначаємо координати центра
ваги для заданого поперечного перерізу за формулами:
; 


Отже, центр ваги перерізу
знаходиться у точці С з координатами (
9,1; -10,1 ).